服务热线:

0371-23214998

流量计厂家

产品分类

联系我们

电话:0371-23214998

电话:0371-23211139

电话:0371-23213398

电话:0371-23214498

传真:0371-23214998

东北办事处联系人:宗鑫

电话:15840511558

网址:

地址:河南省开封市开封县八里湾镇玉皇庙安玉路8号


智能电磁流量计

您的当前位置: 首 页 >> 产品展示 >> 电磁流量计

智能电磁流量计

  • 所属分类:电磁流量计

  • 点击次数:
  • 发布日期:2025/09/11
  • 更多
  • 在线询价
详细介绍

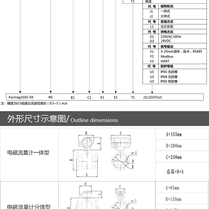
开封承帆传媒.jpg1498614577653885.jpg7c58006ce442685578e39242207aad9b.jpg5.jpg1498630393258136.jpg8.jpg9.jpg11.jpg1498630432981526.jpg

相关标签:电磁流量计,智能电磁流量计价格,智能电磁流量计厂家

最近浏览: